• 2025年第5期文章目次
    全 选
    显示方式: |
    • 封面

      2025, 45(5).

      摘要 (40) HTML (0) PDF 83.32 M (100) 评论 (0) 收藏

      摘要:

    • 目录

      2025, 45(5).

      摘要 (44) HTML (0) PDF 240.82 K (61) 评论 (0) 收藏

      摘要:

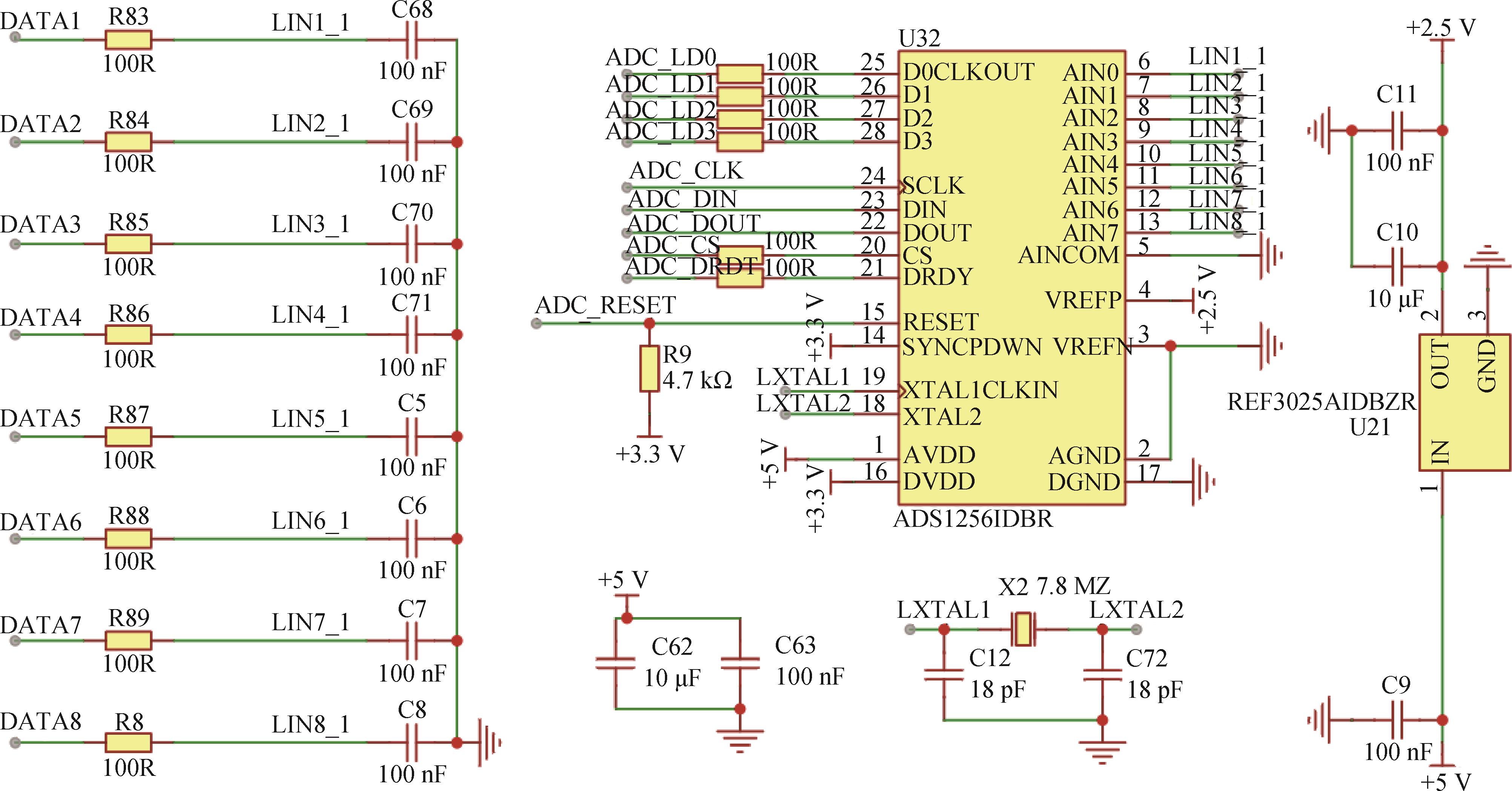
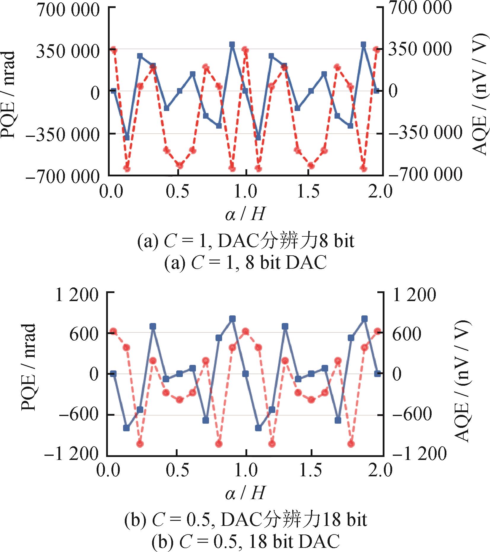
    • 数模变换量化误差固有特性再讨论

      2025, 45(5):1-9. DOI: 10.11823/j.issn.1674-5795.2025.05.01

      摘要 (139) HTML (28) PDF 1.95 M (90) 评论 (0) 收藏

      摘要:为了在数模转换中准确实现预设相角,一般采用增加转换分辨力的方法,这实质上是在幅值轴方向上进行精细分割以接近原始信号,存在成本高、速度慢、功耗大等不足。针对上述问题,进一步提出在时间轴方向上进行适当分割的方法。为此论述量化误差包括相角量化误差和幅值量化误差的定义,阐述所研究的量化过程应满足的4个一般性条件,分析量化误差随相角变化而变化的固有特性,并开展模拟实验和真实实验进行验证,结果表明:量化误差呈现周期性分布,误差周期是信号周期的1 / NN为一个信号周期内的采样个数);在误差周期内,量化误差的分布是对称的;相角量化误差的零点具有独立性,这些零点与转换分辨力、信号幅值无关。指出调节N值使这些零点与预设相角相联系具有重要应用价值,有望推动相角标准研制和阻抗电桥技术发展,并扩展高速、低功耗、低成本数模转换器的应用。

      • 0+1
      • 1+1
      • 2+1
      • 3+1
      • 4+1
    • 非均匀分布三维点云自适应参数混合滤波去噪方法

      2025, 45(5):10-18. DOI: 10.11823/j.issn.1674-5795.2025.05.02

      摘要 (43) HTML (21) PDF 9.68 M (88) 评论 (0) 收藏

      摘要:智能制造复杂构件材质多样且几何形状复杂,导致边角部位获取的三维(Three-Dimensional, 3D)点云稀疏,使得复杂部件的3D点云密度分布不均匀。为去除复杂构件3D点云的多种噪声,研究了基于点云密度的自适应参数统计滤波和半径滤波混合的去噪方法。首先对分割的3D点云基于密度相似性进行体素合并,基于合并体素规模指数确定半径滤波最小点数,基于邻域平均距离确定搜索半径,基于缩放系数确定统计滤波的标准差。利用所提自适应参数混合滤波方法对经典3D点云模型去噪,并进行实验验证,结果表明:去噪后3D点云边缘保留率远远高于固定参数的滤波结果,有效保留了点云稀疏区域的细节信息,噪声去除率也明显提高。对不同噪声等级3D点云去噪结果表明:自适应参数混合滤波方法具有很好的鲁棒性。该方法为智能制造在线检测提供了技术保证。

      • 0+1
      • 1+1
      • 2+1
      • 3+1
      • 4+1
      • 5+1
      • 6+1
      • 7+1
    • 基于无线遥测系统的六模块天线设计与实现

      2025, 45(5):19-29. DOI: 10.11823/j.issn.1674-5795.2025.05.03

      摘要 (53) HTML (49) PDF 18.08 M (98) 评论 (0) 收藏

      摘要:为满足航空发动机旋转件测试设备安装空间受限情况下的多测点、多参数信号传输需求,研发了一套基于无线遥测系统的六模块天线。基于微带天线技术开展发射和接收模块设计,实现装置小型化。在仿真软件中建立封装后的天线模型,分析封装胶厚度、材料介电常数、损耗角正切参数等对天线馈电端口的反射系数(S11)与传输系数(S21)的影响规律。根据仿真结果优化设计参数,研制六模块天线并开展性能测试,结果表明:该天线工作频率范围为1.3 ~ 1.7 GHz,工作带宽不低于40 MHz,满足信号传输设计要求;在转子与定子天线安装间距分别为8 mm和10 mm的条件下开展低速旋转台试验,并在转速为20 000 r / min且环境温度为80 ℃的工况下进行高速旋转台试验,系统的数据丢包率均低于1%。研制的六模块天线能够实现60个测点、多类型数据的可靠、高效传输,为航空发动机压气机、涡轮等旋转部件性能测试提供了有力支撑。

      • 0+1
      • 1+1
      • 2+1
      • 3+1
      • 4+1
      • 5+1
      • 6+1
      • 7+1
      • 8+1
      • 9+1
      • 10+1
      • 11+1
      • 12+1
      • 13+1
      • 14+1
      • 15+1
      • 16+1
      • 17+1
      • 18+1
      • 19+1
      • 20+1
      • 21+1
      • 22+1
      • 23+1
      • 24+1
      • 25+1
      • 26+1
    • 基于IWOA的岸滩卸载作业任务可靠性分配方法

      2025, 45(5):30-39. DOI: 10.11823/j.issn.1674-5795.2025.05.04

      摘要 (48) HTML (42) PDF 2.57 M (74) 评论 (0) 收藏

      摘要:针对岸滩卸载系统作业任务可靠性分配研究尚不完善、结果需进一步优化的问题,提出一种基于改进鲸鱼优化算法(Improved Whale Optimization Algorithm, IWOA)的可靠性分配方法。根据岸滩卸载系统各任务之间存在的并联和串联的逻辑关系,构建了并联和串联组成的混合可靠性分配模型;设计了基于IWOA的岸滩卸载作业任务可靠性分配方法,完成了任务的可靠性分配。采用仿真对分配结果进行评估,完成了任务可靠性分配方法的验证。仿真结果表明:系统最优的可靠度R=0.975,可提升岸滩卸载作业系统任务可靠性分配能力。

      • 0+1
      • 1+1
      • 2+1
      • 3+1
      • 4+1
      • 5+1
      • 6+1
      • 7+1
      • 8+1
    • 大半径小圆弧几何特征的精确测量方法

      2025, 45(5):40-47. DOI: 10.11823/j.issn.1674-5795.2025.05.05

      摘要 (51) HTML (35) PDF 19.84 M (90) 评论 (0) 收藏

      摘要:针对现有大半径小圆弧几何特征测量方法的效率和精度难以满足大批量零件检测需求的问题,提出了一种新的测量方法。首先采用三坐标测量机测量连接圆弧的两直线边,计算得到两直线的交点坐标和夹角,然后求解角平分线的方向向量,利用三坐标测量机从两直线交点开始沿方向向量逼近工件,记录三坐标测量机测球与圆弧的接触点,计算接触点与两直线交点之间的距离,最后根据该距离计算得到圆弧半径值。开展实验对所提出的方法的应用效果进行验证,结果表明:相较传统测量方法,该方法测量精度更高且耗时更短。研究成果对于推动高端制造领域的技术进步具有重要意义。

      • 0+1
      • 1+1
      • 2+1
      • 3+1
      • 4+1
      • 5+1
      • 6+1
      • 7+1
      • 8+1
      • 9+1
    • 基于数字孪生的机械设备运行状态监测技术研究综述

      2025, 45(5):48-67. DOI: 10.11823/j.issn.1674-5795.2025.05.06

      摘要 (65) HTML (21) PDF 6.48 M (101) 评论 (0) 收藏

      摘要:随着我国工业及制造业的快速发展,机械设备传统的维修方式逐渐无法满足高效率的生产要求,对机械设备运行状态实时监测的需求在不断提升。近年来,数字孪生技术的发展与应用为机械设备运行状态监测提供了新的思路。本文阐述了机械设备运行状态监测的重要性以及数字孪生的基本概念,重点分析了数字孪生领域中信息融合的相关理论,对多信息融合状态监测技术进行了梳理,总结了各理论的优势与不足并进行了对比分析。最后,根据信息融合理论的研究现状,从以应用目标为导向构建数字孪生模型、探索智能化模型实时更新技术、传感器数字孪生模型构建等方面进行了展望,为今后数字孪生驱动的机械设备运行状态监测技术的研究与发展提供参考。

      • 0+1
      • 1+1
      • 2+1
      • 3+1
      • 4+1
      • 5+1
      • 6+1
      • 7+1
      • 8+1
      • 9+1
      • 10+1
      • 11+1
      • 12+1
    • 广义Grover量子行走中的聚类现象

      2025, 45(5):68-78. DOI: 10.11823/j.issn.1674-5795.2025.05.07

      摘要 (41) HTML (23) PDF 18.76 M (105) 评论 (0) 收藏

      摘要:为探索量子行走在计量方面的应用,提出了含任意控制参数的广义Grover量子行走与分步Grover量子行走。研究了相应聚类现象和模型可调参数的关联性,具体分析了控制参数在量子行走演化中的作用,发现行走者的演化速度在参数空间的聚类分布与行走者量子态中的纠缠在参数空间的聚类分布呈现出一致性,进一步探究了不同聚类中行走者的概率分布。探讨了Grover量子行走的实验实现方案,论述了Grover量子行走在计量领域的应用,指出Grover量子行走对于实现高精度传感、拓扑序精确测量以及提升态层析效率具有重要意义。研究成果为推动量子行走信息处理技术发展提供了有力支撑。

      • 0+1
      • 1+1
      • 2+1
      • 3+1
      • 4+1
      • 5+1
      • 6+1
      • 7+1
      • 8+1
      • 9+1
      • 10+1
      • 11+1
      • 12+1
      • 13+1
      • 14+1
      • 15+1
      • 16+1
    • 液压管道曲面一体化成形制造的薄膜应变传感器

      2025, 45(5):79-89. DOI: 10.11823/j.issn.1674-5795.2025.05.08

      摘要 (32) HTML (20) PDF 20.63 M (113) 评论 (0) 收藏

      摘要:传统应变片在监测过程中存在应变传递误差大、响应慢等问题,严重制约了工程应用效能。针对航空液压管道应变、振动、卡箍松动等状态的实时监测需求,提出了一种在航空液压管道上原位制备薄膜应变传感器的方法。建立基底与应变丝栅敏感层之间的应变传递误差有限元分析模型,优化设计电阻应变栅的结构参数;采用磁控溅射技术制备Ni80Cr20应变敏感层等多层异质薄膜,通过五轴联动激光刻蚀工艺,实时调控激光入射角与焦点位置,实现对功能材料刻蚀深度的高精度控制。测试结果表明:在-40 ~ 100 ℃条件下,制备的薄膜应变传感器电阻漂移率DDR为8.4 × 10-5 h-1,电阻温度系数TTCR为1.3 × 10-4-1;在0 ~ 500 με应变条件下,该传感器的应变灵敏系数GGF为2.03,响应时间仅为15 ns。通过力锤实验等验证了该一体化制造传感器对航空液压管道实时应变、振动、卡箍松紧程度等关键信息的检测与识别能力,该传感器在航空液压管道状态监测领域具有广阔应用前景。

      • 0+1
      • 1+1
      • 2+1
      • 3+1
      • 4+1
      • 5+1
      • 6+1
      • 7+1
      • 8+1
      • 9+1
      • 10+1
      • 11+1
      • 12+1
    • 光载波抑制调制技术在布里渊光时域反射仪频移校准中的应用

      2025, 45(5):90-96. DOI: 10.11823/j.issn.1674-5795.2025.05.09

      摘要 (38) HTML (77) PDF 1.26 M (80) 评论 (0) 收藏

      摘要:针对分布式光纤传感器中布里渊光时域反射仪(Brillouin Optical Time Domain Reflectometer, BOTDR)频移的计量校准需求,提出一种基于光载波抑制调制技术的布里渊频移参数校准方法。利用光载波抑制调制技术产生的倍频信号模拟光纤布里渊散射信号,并给出布里渊频移参考值与信号发生器输出信号频率之间的数学模型和量值溯源图,实现布里渊频移到原子时标基准装置的量值溯源。通过调节信号发生器输出信号的频率,可以获取频移量程内不同频率点的布里渊频移示值误差。开展实验获得10.6 ~ 11.8 GHz条件下不同频移点的校准结果,并进行不确定度分析,当布里渊频移测量值为10 998.38 MHz时,扩展不确定度为0.07 MHz(k = 2)。该校准方法能够满足光纤传感应用领域中BOTDR频移的量值溯源要求,为推动BOTDR性能提升及广泛应用提供了有力支撑。

      • 0+1
      • 1+1
      • 2+1
      • 3+1
      • 4+1
    • 基于深度学习的多通道MOS环境气体检测系统

      2025, 45(5):97-107. DOI: 10.11823/j.issn.1674-5795.2025.05.10

      摘要 (45) HTML (84) PDF 12.69 M (100) 评论 (0) 收藏

      摘要:针对复杂环境下多组分气体的检测需求,设计并实现了一种基于金属氧化物半导体的便携式多通道气体检测系统。系统集成8路传感器阵列、高精度信号采集链路及低功耗硬件,并结合多分支卷积神经网络与双向长短期记忆网络实现多通道信号的自动特征提取与时序建模。以CO、C2H5OH及其干扰和混合气体为研究对象开展实验,结果表明:系统对被检测物的不同浓度区间均表现出良好的线性响应与高检测精度。对比实验进一步验证了多传感器融合策略在提升识别准确率、增强鲁棒性及适应复杂环境方面的有效性,其中混合气体识别准确率最高达100%。本研究为环境监测、工业安全及公共健康领域的多组分气体检测提供了可靠的技术支撑与实践依据。

      • 0+1
      • 1+1
      • 2+1
      • 3+1
      • 4+1
      • 5+1
      • 6+1
      • 7+1
      • 8+1
      • 9+1
      • 10+1
      • 11+1
      • 12+1
      • 13+1
      • 14+1
      • 15+1
      • 16+1
      • 17+1
      • 18+1
      • 19+1
    • 时速350 km及以上高铁的牵引和制动系统压力传感器芯片设计优化

      2025, 45(5):108-117. DOI: 10.11823/j.issn.1674-5795.2025.05.11

      摘要 (38) HTML (23) PDF 9.72 M (87) 评论 (0) 收藏

      摘要:为应对高铁牵引与制动系统中复杂工况对压力传感器在高精度、宽动态范围及快速响应方面的严苛要求,本研究团队基于压阻效应机理,开展了高精度压力传感器芯片的制造与优化技术攻关。运用多物理场耦合建模理论,结合结构参数优化方法,系统研究了敏感膜片厚度、压敏电阻布局与掺杂浓度对传感器性能的协同影响机制,提出基于参数化设计方法的膜片刚度-灵敏度协同优化策略。通过开发八层掩膜版光刻工艺与氢氧化钾 / 异丙醇(Potassium Hydroxide / Isopropyl Alcohol, KOH / IPA)复合湿法刻蚀技术,实现悬膜厚度亚微米级控制精度。研究结果表明:优化后的传感器在灵敏度、非线性误差及过载耐受能力方面表现优异,灵敏度达到56.987 mV / kPa,非线性误差为0.048% FS(Full Scale, 满量程),并在300%过载工况下仍保持结构完整性。本研究为高精度压力芯片的制造与优化提供了理论依据和技术支持,为保障高铁列车安全运行与核心部件国产化替代提供了关键技术支撑。

      • 0+1
      • 1+1
      • 2+1
      • 3+1
      • 4+1
      • 5+1
      • 6+1
      • 7+1
      • 8+1
      • 9+1
      • 10+1
      • 11+1
      • 12+1
      • 13+1
      • 14+1

主编:韩冰

创刊时间:1958年

国际标准刊号:ISSN 1674-5795

国内统一刊号:CN 11-5347/TB

国内邮发代号:80-441

  • 浏览排行
  • 引用排行
  • 下载排行
按检索
检索词